ПРОИЗВОДСТВО И УПРОЧНЕНИЕ ДЕТАЛЕЙ ТРУБОПРОВОДОВ ВЫСОКОГО ДАВЛЕНИЯ
Наша организация серийно выпускает детали трубопроводов с упрочненной поверхностью. Упрочненные детали обладают большей коррозионной, задиро- и износостойкостью. Использование упрочненной трубопроводной арматуры значительно продлевает эксплуатационный ресурс всего трубопровода в целом.
Мы упрочняем стальные детали ионным химико-термическим методом. На сегодняшний день ионная химико-термическая обработка (ИХТО) является наиболее передовой технологией поверхностного упрочнения сталей (см. сравнение методов упрочнения). Детали из низколегированных сталей упрочненные методом ионного азотирования, приобретают коррозионную стойкость на уровне с нержавеющими сталями, что подтверждено испытаниями в камере соляного тумана (не менее 200 часов). В настоящее время различные детали высокого давления, а также резьбовые соединения насосно-компрессорных и буровых труб упрочняются методами ионной ХТО на ведущих предприятиях нефтегазового машиностроения, где внедрены наши передовые разработки, в частности : «Завод Синергия», г. Пермь; "ЭЛКАМ-Нефтемаш", г.Пермь; "ПКНМ", г.Пермь; ЗАО "Профтермо", г.Набережные Челны; AO "Мунаймаш" Казахстан.
Упрочнение деталей трубопроводов мы производим на собственном оборудовании и используем собственные научно-технологические разработки. Все это позволяет нам обеспечивать высочайшее качество и наилучшие условия для наших покупателей. Вы можете заказать у нас производство деталей с последующим упрочнением, или заказать упрочнение ваших деталей, которые изготовлены другими производителями трубопроводной арматуры.
отсылайте на e-mail ion@procion.ru или свяжитесь с менеджером по телефонам:
8 800 707-61-60 (звонок бесплатный), +7 (495) 160-1961, +7 (342) 224-14-44
с 7 до 16 часов по московскому времени
ДЕТАЛИ ТРУБОПРОВОДОВ ВЫСОКОГО ДАВЕНИЯ ДО, В ПРОЦЕССЕ И ПОСЛЕ ИОННОГО АЗОТИРОВАНИЯ
| До азотирования | Во время азотирования | После азотирования |
![]() | ![]() | ![]() |
![]() | ![]() | ![]() |
![]() | ![]() | ![]() |
СРАВНЕНИЕ МЕТОДОВ УПРОЧНЕНИЯ ДЕТАЛЕЙ ТРУБОПРОВОДА
Существует много способов повышения коррозионной стойкости деталей трубопроводов:
- применение коррозионностойких сталей – что повышает стоимость и не всегда применимо ввиду малой удельной прочности нержавеющих сталей, что отражено в номинальных давлениях для каждой стали( см. таблицу 1 ГОСТ 55599-2013);
- наплавка коррозионностойких материалов на низколегированные – весьма трудозатратный и низкоэффективный способ, применяется мелкосерийно в отечественной практике, стоимость таких деталей несоразмерна применяемым технологиям и материалам;
- напыление плазменное или газовое – пористая поверхность, что недопустимо для эксплуатации на агрессивных средах;
- нанесение различных адгезионных покрытий – хромирование – низкая стойкость при механическом и ударном воздействии, как следствие частое образование микротрещин, в которые проникает агрессивная среда и начинается подслойная коррозия с дальнейшим отслоением; цинкование, анодирование и прочее - низкая износотостойкость в средах с механическими примесями ввиду малой удельной прочности самого покрытия.
- создание диффузионных покрытий – в первую очередь тех, которые обеспечивают плотную поверхностную зону – ионные способы химико-термической обработки, азотирование, карбонитрирование, оксикарбонитрирование. На сегодняшний день самый эффективная и передовая технология упрочнения поверхности стальных деталей. Метод малозатратен и обеспечивает комплексное улучшение рабочих характеристик поверхности сталей.
Изготовим сборочные единицы и детали трубопроводов высокого давления: тройники, колена, фланцы, отводы, переходы, заглушки, угольники, линзы. Данные детали и соединительные элементы производятся на заказ в соответствии с техническими требованиями ГОСТ 55599-2013 и применяются для обустройства технологических трубопроводов химической и нефтехимической промышленности, предназначенных для транспортирования газообразных, парообразных и жидких сред в диапазоне давлений свыше 10 до 100 МПа номинальным диаметром от 6 до 200 мм и рабочих температур от минус 70°С до плюс 540°С.
отсылайте на e-mail info@procion.ru или свяжитесь с менеджером по телефонам:
8 800 707-61-60 (звонок бесплатный), +7 (495) 160-1961, +7 (342) 224-14-44
с 7 до 16 часов по московскому времени
- Трубопроводные детали на высокое давление: технические стандарты, основные характеристики, используемые марки сталей
- Способ монтажа деталей трубопроводов на давление 10-100 МПа
- Технические стандарты резьб и комплектация резьбовых фланцев, тройников, отводов, переходов
- Способ производства и требования к заготовкам деталей трубопроводов высокого давления
- Срок службы, гидравлические испытания, маркировка деталей трубопроводов высокого давления
- Основные типы и стандарты деталей трубопроводов высокого давления
- Стоимость, условия заказа и доставки
ТРУБОПРОВОДНЫЕ ДЕТАЛИ НА ВЫСОКОЕ ДАВЛЕНИЕ ТЕХНИЧЕСКИЕ СТАНДАРТЫ, ОСНОВНЫЕ ХАРАКТЕРИСТИКИ, ИСПОЛЬЗУЕМЫЕ МАРКИ СТАЛЕЙ
СПОСОБ МОНТАЖА ДЕТАЛЕЙ ТРУБОПРОВОДОВ НА ДАВЛЕНИЕ 10 - 100 МПа
По способу монтажа детали трубопроводов делятся на резьбовые и приварные (“под приварку”). Мы изготавливаем как приварные, так и резьбовые детали для трубопроводов высокого давления.
ТЕХНИЧЕСКИЕ СТАНДАРТЫ И КОМПЛЕКТАЦИЯ РЕЗЬБОВЫХ ФЛАНЦЕВ, ТРОЙНИКОВ, ОТВОДОВ, ПЕРЕХОДОВ
Присоединительные концы резьбовых фланцев, тройников, отводов, переходов выполнены по ГОСТ 9400-81, требования к резьбе по ГОСТ 9150 и 24705.
Резьбовые детали комплектуются: резьбовыми фланцами выполненными по ГОСТ 9399-81; линзами уплотнительными выполненными по ГОСТ 10493-81.
СПОСОБ ПРОИЗВОДСТВА И ТРЕБОВАНИЯ К ЗАГОТОВКАМ ДЕТАЛЕЙ ТРУБОПРОВОДОВ ВЫСОКОГО ДАВЛЕНИЯ
Детали трубопроводов высокого давления производят с помощью механической обработки поковок, объемных штамповок и труб. Для фланцевых заглушек, переходов, колен, штуцеров диаметром до 50 мм (DN50) возможно изготовление из сортового металлопроката.
Все заготовки проходят термическую обработку - закалку с последующим отпуском или нормализацию. Механические свойства заготовок после проведенной термообработки контролируют по следующим критериям: предел текучести (σт), временное сопротивление разрыву (σB), относительное удлинение (δ), относительное сужение (Ψ), ударная вязкость на образцах типа Шарпи (KCV), твердость (НВ).
Каждую заготовку детали трубопроводов высокого давления в обязательном порядке контролируют на наличие дефектов. Контроль проводят неразрушающими методами – ультразвуковой, магнитопорошковой, цветной дефектоскопией. При обнаружение любого дефекта - заготовку выбраковывают. Проводят также контроль металла заготовок на загрязненность оксидами, сульфидами, силикатами, нитридами и карбонитридами. По требованию заказчика мы можем провести испытания на стойкость к межкристаллитной коррозии. Все испытания и металлографические исследования проводятся в собственной лаборатории квалифицированными специалистами.
СРОК СЛУЖБЫ, ГИДРАВЛИЧЕСКИЕ ИСПЫТАНИЯ, МАРКИРОВКА ДЕТАЛЕЙ ТРУБОПРОВОДОМ ВЫСОКОГО ДАВЛЕНИЯ
Согласно п. 6.5 «Показатели надёжности» ГОСТ 55599-2013 расчетный срок службы сборочных единиц и деталей трубопроводов устанавливают в рабочей документации с учетом конкретных условий эксплуатации.
Гидравлические испытания проводятся для каждой детали, допускается по согласованию с заказчиком заменить на 100% УЗК, в этом случае производитель обязан гарантировать испытательное давление по ГОСТ 356. Маркировка деталей производится ударным или электрографическим способом.
ОСНОВНЫЕ ТИПЫ И СТАНДАРТЫ ДЕТАЛЕЙ ТРУБОПРОВОДОВ ВЫСОКОГО ДАВЛЕНИЯ
- Стальные угольники на высокое давление
- Стальные тройники на высокое давление
- Отводы стальные гнутые и колена
- Стальные переходы
- Заглушки стальные фланцевые
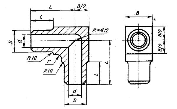
СТАЛЬНЫЕ УГОЛЬНИКИ ВЫСОКОГО ДАВЛЕНИЯ
смотреть: ГОСТ 22821-83
смотреть: ГОСТ 22799-83
смотреть: ГОСТ 22800-83
СТАЛЬНЫЕ ТРОЙНИКИ ВЫСОКОГО ДАВЛЕНИЯ
смотреть: ГОСТ 22822-83
смотреть: ГОСТ 22824-83
смотреть: ГОСТ 22825-83
смотреть: ГОСТ 22823-83
смотреть: ГОСТ 22804-83
смотреть: ГОСТ 22802-83
смотреть: ГОСТ 22801-83
СТАЛЬНЫЕ ГНУТЫЕ И КОЛЕНА НА ВЫСОКОЕ ДАВЛЕНИЕ
смотреть: ГОСТ 22793-83
смотреть: ГОСТ 22794-83
СТАЛЬНЫЕ ПЕРЕХОДЫ ВЫСОКОГО ДАВЛЕНИЯ
смотреть: ГОСТ 22826-83
смотреть: ГОСТ 22806-83
ЗАГЛУШКИ СТАЛЬНЫЕ ФЛАНЦЕВЫЕ НА ВЫСОКОГО ДАВЛЕНИЕ
смотреть: ГОСТ 22815-83
СТОИМОСТЬ, УСЛОВИЯ ЗАКАЗА И ДОСТАВКИ
Поставляем трубопроводную продукцию во все регионы РФ. Работаем со следующими транспортными компаниями:
Бесплатная доставка собственным транспортом.









Переходы резьбовые
Переходы приварные
Тройники резьбовые
Тройники приварные
Угольники резьбовые
Угольники приварные
Колена резьбовые
Тройники точеные













